ЛИР-801

Муфта для энкодера
  Изготовитель  СКБ ИС
  Статус  Серийный выпуск
  Гарантийный срок  3 года

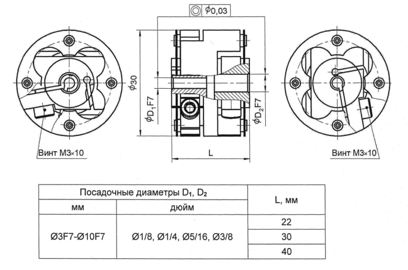
Мембранная муфта для сопряжения вала промышленного энкодера с валом позиционируемого объекта. Упругость муфты обеспечивается двумя стальными мембранами.

Диаметр муфты - 30 мм, длина - 22, 30 или 40 мм. Посадочные диаметры - от 3 до 10 мм.

Тип муфты мембранная
Максимальная скорость вращения 16000 об/мин
Масса

от 0,027 до 0,05 кг

Погрешность передачи вращения ±10"
Жесткость на скручивание 150 Н·м/рад
Допустимый крутящий момент 0,1 Н·м
Допустимое радиальное смещение осей ≤0,2 мм
Допустимый наклон осей ≤1,0°
Допустимое осевое смещение ≤0,2 мм
Момент инерции 3,0·10-6 кг·м²
Длина муфты
Посадочный диаметр D1
Посадочный диаметр D2

Код заказа

ЛИР-801X1X2X2

Пример заказа : ЛИР-801-6-10(30)

ЛИР-801, посадочный диаметр D1 - 6 мм, посадочный диаметр D2 - 10 мм, длина муфты - 30 мм.

Файл Размер Размещен
Спецификация 9 фев 2026